| Sign In | Join Free | My wpc-board.com |
|
Brand Name : TOKEN
Model Number : TKC-GT1540
Certification : CE;ROHS
Place of Origin : Nanjing,China
MOQ : 10pcs
Price : Price reconsideration
Payment Terms : L/C, T/T, D/P, Western Union
Supply Ability : 10K pcs per month
Delivery Time : 7~10 working days
Packaging Details : Little carton:34*23*21CM 36pcs/carton;Large carton size 48*37*26CM 72pcs/carton
Name : Open Loop Hall Effect Current Sensor
application : inveter
Input current : 100-2000A
Supply voltage : +15 ±5%
Standards : IEC60950-1:2001
Theory : open loop type
Accuracy : ±1%
Wide Range Measurement 4800A Hall Effect sensor for inveter use TKC-GT1540
TKC-GT1540 series is a kind of Perforated mounting current sensor, which is a open loop device based on the measuring principle of the hall effect ,with a galvanic isolation between primary and secondary circuit .It provides accurate electronic measurement of DC,AC or pulsed currents.
Electrical data(Ta=25℃±5℃,RL=2KΩ,CL=10000PF)
| Type Parameter | TKC750GT1540 | 单位 Unit | |
Rated input current | IPN | ±750 | A |
Measure current range | IP | 4800A DC | A |
| Rated output voltage | VOUT | @If=IPN, VOUT+VOE = 40±2.0%(含失调电压) RL=4.4KΩ 注:*1) | mV |
Supply voltage | VC | +15±5%(Effect of Power Supply,VOUT±0.8%FS) | V |
|
Consumption current | IC | ≤20 | mA |
Offset voltage | VOE | @Ta=25℃,After magnetic core demagnetization ±2 | mV |
Magnetic Offset voltage | VOH | @ If=0,1×IP ±0.1 | mV |
Offset voltage drift | TCVOE | @ Ta= -15~+75℃ ≤±2 | mV |
|
Output voltage drift | TCVOUT | @ Ta= -15~+75℃ 0.1 | %/℃ |
Linearity | εL | @ If=0…±IP ≤1.0 | %FS |
Response time | tr | @ di/dt=100A/μs ≤6 | μS |
Galvanic isolation | Vd | @ 50HZ/60HZ,AC,1min 2.5 | KV |
Applications
Variable speed drives
Welding machine
Battery supplied applications
Uninterruptible Power Supplies (UPS)
Electrochemical
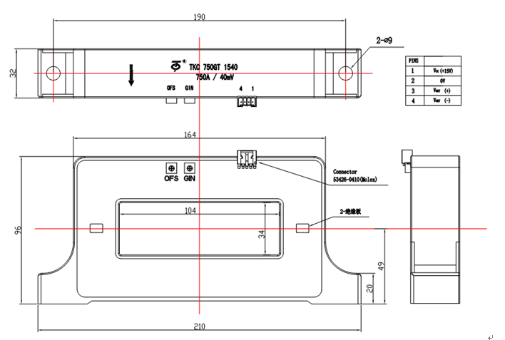
Mechanical dimension(for reference only)

Remarks:
1. All dimensions are in mm.
2. General tolerance ±1mm.
Directions for use
When the current will be measured goes through a sensor, the voltage will be measured at the output end.
(Note: The false wiring may result in the damage of the sensor)
The output amplitude of the sensor can be adjusted according to users’ requirements.
Custom design in the different rated input current and the output voltage are available.
Standards
General date
| Value | Unit | Symbol | |
| Operating temperature | -40 to +85 | ºC | TA |
| Storage temperature | -40to +125 | ºC | TS |
| Mass(approx) | 1500 | g | M |
Characteristics chart

|
|
4800A Inveter Open Loop Hall Effect Current Sensor Images |